8 (800) 775 40 55
Звонок из регионов России
бесплатный!
бесплатный!
Профессиональный строительный инструмент и оборудование
Каталог инструментов
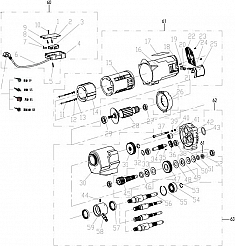
Установка алмазного бурения Saturn OB-180
Установка алмазного бурения Saturn OB-180 (Сатурн ОБ-180) предназначена для сверления круглых отверстий Ø 20 – 180 мм в бетонных, железобетонных, базальтовых, асфальтовых и других поверхностях под трубы вентиляции, теплоснабжения, водоснабжения и подобных коммуникаций.
Производитель: SATURN (САТУРН) – Россия.
Преимущества установки алмазного бурения Saturn OB-180:
- Корпус двигателя из алюминия хорошо отводит тепло во время работы
- Небольшой вес
- Рукоятка для переноса
- Поставляется в картонной коробке
Цена и технические характеристики установки алмазного бурения Saturn OB-180:
Оборудование для алмазного бурения
- Установка алмазного бурения
- Установка алмазного бурения с микроударом
- Дрель алмазного сверления
- Дрель с микроударом для алмазного бурения
- Керноотборник для асфальтобетона
- Двигатель алмазного бурения
- Двигатель алмазного бурения с микроударом
- Станина для алмазного бурения
- Станина для алмазного бурения с микроударом
- Алмазные коронки
- Доп. оборудование к технике алмазного бурения
-
Алмазные коронки по железобетону Kern Diamond Bit Concrete Premium 82 ммДиаметр: 82 ммРабочая длина: 450 ммЦена: 9 500 руб.
-
Алмазные коронки по железобетону Kern Diamond Bit Concrete Premium 225 ммДиаметр: 225 ммРабочая длина: 450 ммЦена: 32 000 руб.
-
Алмазная коронка для сухого бурения с микроударом Адель Diamond Hit DH-D400 112 ммДиаметр: 112 ммРабочая длина: 450 ммЦена: 8 000 руб.
-
Алмазная коронка для сухого бурения с микроударом Адель Diamond Hit DH-D400 36 ммДиаметр: 36 ммРабочая длина: 450 ммЦена: 4 000 руб.
-
Алмазные коронки по железобетону Kern Diamond Bit Concrete Premium 450 ммДиаметр: 450 ммРабочая длина: 450 ммЦена: по запросу
-
Алмазная коронка для сухого бурения с микроударом Адель Diamond Hit DH-D401 162 ммДиаметр: 162 ммРабочая длина: 450 ммЦена: 13 200 руб.
-
Алмазная коронка для сухого сверления подрозетников с микроударом Адель Diamond Hit DH-D400 68/65 ммДиаметр: 68 ммРабочая длина: 65 ммЦена: 4 500 руб.
-
Сварочный автомат горячего воздуха Weldy foiler 20 ммШирина сварного шва: 20 ммСкорость сварки: 1 - 7,5 м/минЦена: 244 800 руб.
Новости
-
26.11.2025Новые поступления для серьёзной работы: спираль и адаптер от Crocodile
-
21.11.2024Поступление желобонакатчиков GruvMaster - Новинка на Российском рынке!
-
27.12.2023С новым 2024 годом!
-
20.12.2022Режим работы в Новогодние праздники
-
12.10.2022ФСБ сообщила о попытке теракта с ПЗРК «Игла» в Подмосковье











Отзывы
Оставьте Ваш отзыв